TX6122 是一款开关降压型LED恒流驱动芯片
TX6122 
内置 60V 功率 MOS采用固定关断时间的峰值电流控制方式,
关断时间可通过外部电容进行调节,工作频率可根据用户要求而改变。

通过调节外置的电流采样电阻,能控制高亮度 LED 灯的驱动电流,使LED 灯亮度达到预期恒定亮度。
在 DIM端加 PWM 信号,可以进行 LED 灯调光。DIM 端同时支持线性调光。
内部还集成了VDD 稳压管以及过温保护电路等,减少外围元件并提高系统可靠性。
散热片内置接 SW 脚。芯片采用 ESOP8 封装。 

TX6122 是一款开关降压型 LED恒流驱动芯片
输入电压:12-48V
输出电压:9V
输出电流:2A
工作频率:最大1MHz
转换效率:93%
芯片封装:ESOP-8

 

TX6122 是一款开关降压型 LED恒流驱动芯片
自行车、电动车、摩托车
强光手电
LED照明
LED背光


 

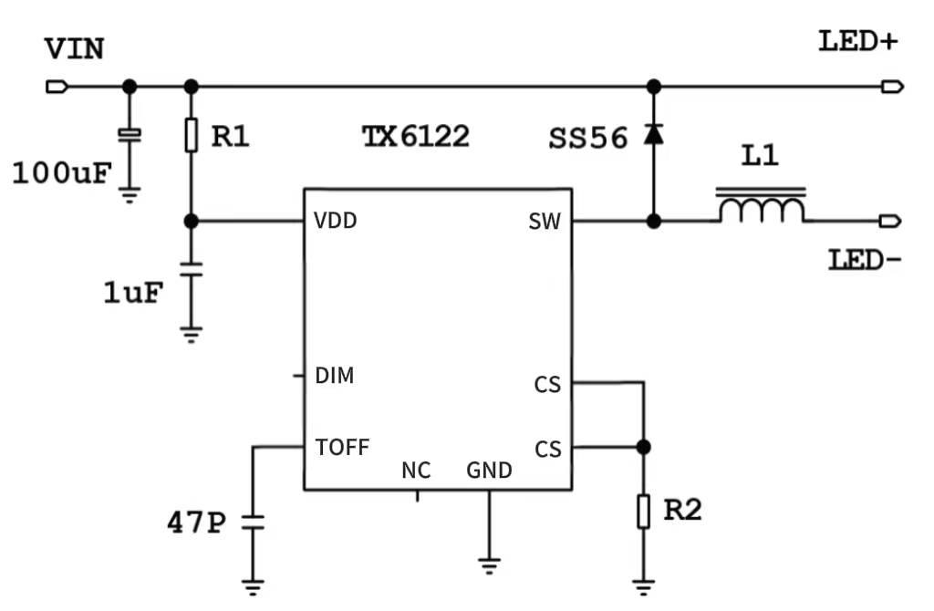
TX6122 DEMO板 应用原理图:



TX6122 DEMO板 PCB图:



TX6122 输出电流计算器: