基于28圈体育TX4205设计的DC-DC升压恒压芯片DEMO
基本描述:
本 DEMO 为 TX4205 制作的演示板,用于 DC 输入 3.6-5.0V,输出恒压12V,输出电流 1A 的应用演示,最高转换效率高达 87%。
本电路固定工作频率是:561.8KHz。输出 12V/1A ,输出电压可调。
在 3.3V电池输入时可以输出 6V/3.5A,9V/2A 或 3.6V 电池输入时可以输出6V/4.5A,9V/3A。

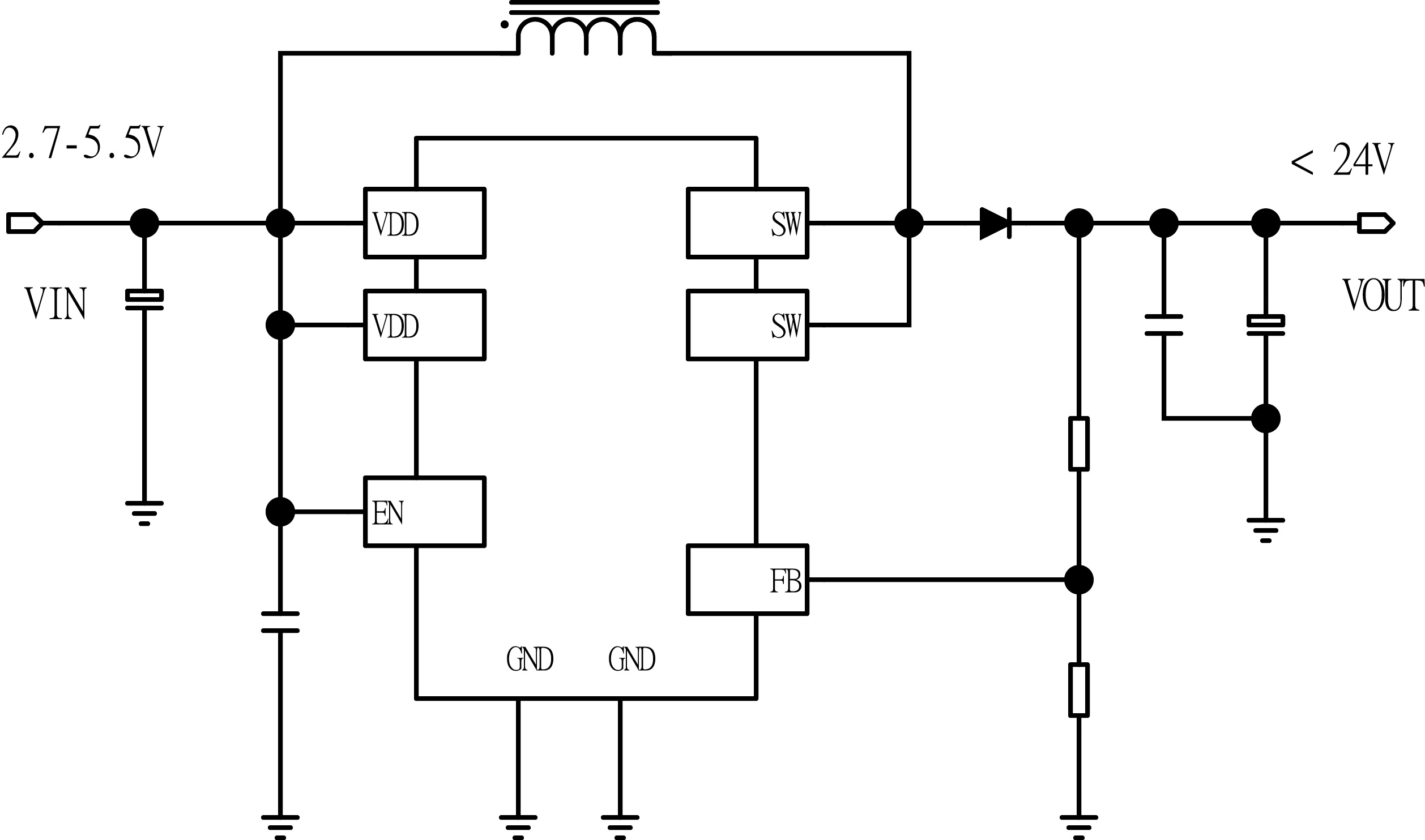
DC-DC升压恒压芯片TX4205原理图

TX4205 制作的演示板





DC-DC升压恒压芯片TX4205参数测量