TX6301是一款开关型自动升降压LED恒流驱动芯片
TX6301是宽输入输出电压范围的高精度、高效率的升降压型LED恒流驱动控制芯片。
芯片采用电流模闭环控制方式,可实现高精度的恒流驱动。工作频率可通过外接电容调整。
内置逐周期限流保护,软启动,过温保护等功能,保证系统可靠性。内置调光脚,可通过CE脚加PWM 信号进行LED灯调光。
芯片具有稳定可靠、动态响应快等优点,并能实现高精度、高效率升降压恒流驱动,内置VDD稳压管。
芯片采用 SOP-8 封装。
输入电压:12-36V
输出电压:24V
输出电流:2A
工作频率:500KHz
转换效率:93%
芯片封装:SOP-8
LED车灯
LED摩托车灯
LED照明
LED背光
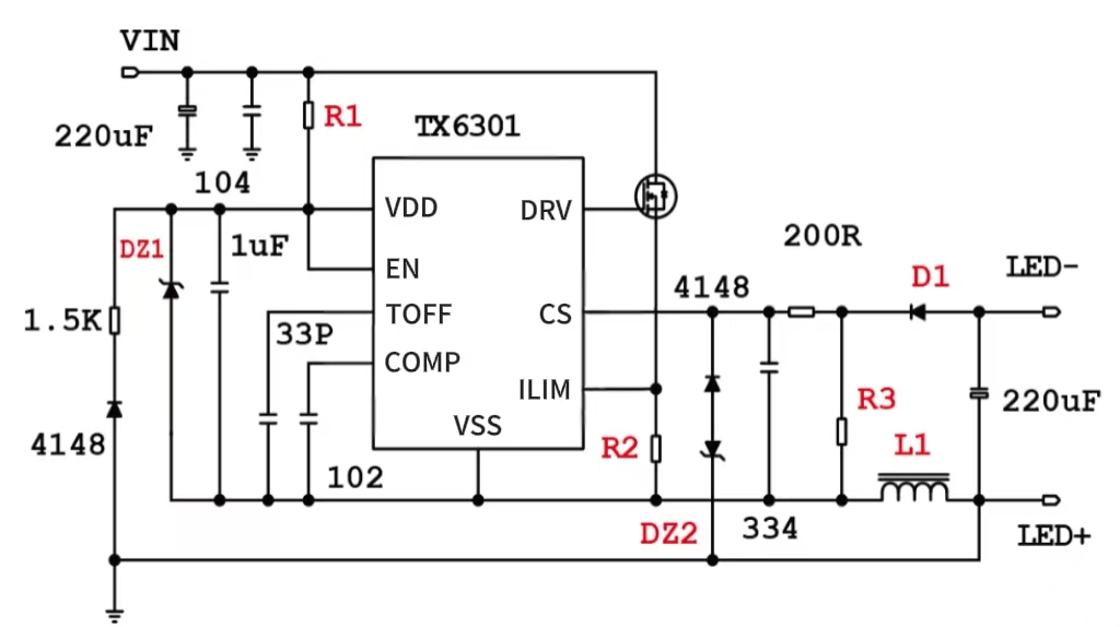
TX6301 DEMO板 应用原理图

TX6301 DEMO板 PCB图

TX6301 输出电流计算器
